Cycle carbone-azote-oxygène
Le cycle carbone-azote-oxygène (ou, avec les symboles chimiques, cycle CNO), parfois appelé cycle de Bethe, ou cycle de Bethe-Weizsäcker[1], est l'une des deux réactions de fusion nucléaire par lesquelles les étoiles convertissent de l'hydrogène en hélium ; l'autre réaction est la chaîne proton-proton.
Alors que la chaîne proton-proton est le principal type de fusion dans les étoiles de masse inférieure ou égale à celle du Soleil, les modèles théoriques montrent que le cycle carbone-azote-oxygène est la source principale d'énergie dans les étoiles de masse plus élevée. Il fut proposé par les physiciens Hans Bethe et Carl Friedrich von Weizsäcker en 1938-1939.
Ce cycle est aussi probablement la principale source de production d'azote, qui s'équilibre avec la quantité de carbone présente selon la fréquence relative des différentes réactions.

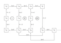
Cycle principal : CNO - I

En réalité, il n'y a pas un, mais trois cycles qui sont importants d'un point de vue astrophysique.
Le cycle principal est le suivant[2] :
12
6C + 1
1H⟶ 13
7N + γ+ 1,95 MeV 13
7N⟶ 13
6C + e+ + νe+ 2,22 MeV 13
6C + 1
1H⟶ 14
7N + γ+ 7,54 MeV 14
7N + 1
1H⟶ 15
8O + γ+ 7,35 MeV 15
8O⟶ 15
7N + e+ + νe+ 2,75 MeV 15
7N + 1
1H⟶ 12
6C + 4
2He+ 4,96 MeV
Ce cycle a pour résultat la fusion, par capture de protons, de quatre noyaux d'hydrogène (1H, ou protons) en un seul noyau d'hélium (4He, ou particule alpha), et fournit de l'énergie en concordance avec l'équation d'Einstein : E=mc2. Dans ces réactions, le carbone sert de catalyseur, il est régénéré à la fin du cycle.
Cycles secondaires
À la dernière étape de ce cycle principal, là où le dernier proton absorbé par le noyau de 15N permet de restaurer le noyau de 12C initial, il existe une autre voie : celle de la création d'un noyau de 16O (accompagnée d'une émission γ). Cette autre voie arrive avec une probabilité de 0,04 % (soit 1 fois sur 2500), le bilan n'est alors plus une production d'hélium 4He, mais une transformation du carbone 12C en oxygène 16O.
Il apparaît alors d'autres réactions possibles, des protons avec l'oxygène produit, ainsi bien sûr qu'avec l'oxygène initialement présent :
15
7N + 1
1H⟶ 16
8O + γ+ 12,13 MeV 16
8O + 1
1H⟶ 17
9F + γ+ 0,60 MeV 17
9F⟶ 17
8O + e+ + νe+ 2,76 MeV 17
8O + 1
1H⟶ 14
7N + 4
2He+ 1,19 MeV
Il se produit alors un équilibre entre les proportions relatives de l'oxygène (16O et 17O) et de l'azote (14N et 15N) selon la fréquence des réactions.
La branche principale du cycle CNO est connue comme CNO-I, la branche mineure comme CNO-II. Deux autres branches, CNO-III et CNO-IV, sont significatives seulement dans les étoiles de forte masse. Elles ont lieu quand la dernière réaction du cycle CNO-II produit de l'oxygène 18O par désintégration β+ (et une relaxation γ), au lieu de l'azote 14N et d'un rayonnement α 4He ; à partir du noyau instable de fluor 18.
Conséquences en astrophysique
Bien que le nombre total de noyaux « catalytiques » soit conservé dans le cycle, durant la séquence principale les proportions relatives des noyaux sont changées. Quand le cycle parvient à l'équilibre, le rapport des noyaux 12C/13C est porté à 3,5 et 14N devient le noyau majoritaire, indépendamment de la composition initiale.
Pendant les dernières étapes de vie d'une étoile, les mouvements de convection apportent les matériaux dans lequel le cycle s'est établi, à partir de l'intérieur à la surface, changeant la composition observée des différentes espèces chimiques.
Certaines géantes rouges observées ont des rapports 12C/13C et 12C/14N inférieurs aux étoiles de la séquence principale, ce qui est considéré comme une preuve que la production d'énergie des étoiles se fait par fusion nucléaire de l'hydrogène.
Cas du Soleil
Au sein du Soleil, 99 % de l'énergie est fournie par la chaîne proton-proton ; le restant est fourni par le cycle CNO, observé directement en 2020 grâce à l'émission de ses neutrinos[3]. L'énergie fournie par le cycle étant liée à la quantité de carbone, d'azote et d'oxygène présents dans l'étoile, ces observations de neutrinos devraient permettre de mieux estimer la métallicité du Soleil[3].
Références
- Sacco 2020.
- "Introductory Nuclear Physics", Kenneth S. Krane, John Wiley & Sons, New York, 1988, p.537.
- (en) Collaboration Borexino (en), « Experimental evidence of neutrinos produced in the CNO fusion cycle in the Sun », Nature, vol. 587, , p. 577-582 (DOI 10.1038/s41586-020-2934-0).
Voir aussi
Bibliographie
: document utilisé comme source pour la rédaction de cet article.
- [Sacco 2020] Laurent Sacco, « Des neutrinos du cycle CNO du Soleil ont enfin été observés ! », Futura, (lire en ligne).
