Onduleur

Un onduleur est un dispositif d'électronique de puissance permettant de générer des tensions et des courants alternatifs à partir d'une source d'énergie électrique continue. Son fonctionnement est à dissocier des autres convertisseurs comme les convertisseurs AC/AC, les redresseurs (AC/DC) ou encore les convertisseurs DC/DC. Cependant un onduleur peut être associé à d'autres convertisseurs pour en changer la fonction. Le nom anglais de l'onduleur, « inverter », vient du fait qu'historiquement l'onduleur avait la fonction inverse d'un redresseur[1].

Onduleur pour voiture électrique.

Description

Un onduleur pour une centrale solaire photovoltaïque.

Un onduleur est un appareil d'électronique de puissance permettant de générer toute forme de courant dont, par exemple, un courant alternatif, à partir d'un courant continu[2],[3],[4].

Un onduleur hybride permet de fournir soit un courant alternatif soit un courant continu à partir d'une source de courant. C'est particulièrement utile avec des panneaux solaires qui fournissent de l’électricité quand on n'en a pas toujours besoin et qu'il faut alors stocker dans des batteries par exemple. Ce courant continu doit ensuite être converti en courant alternatif pour être utilisé.

Un micro-onduleur permet, dans un petit espace, de convertir une tension continue en courant alternatif. Il en existe jusqu’à 1 000 W, voire plus, à partir d'une tension de 12 V[alpha 1], résistant à des températures de +65 °C, refroidis par convection naturelle de l'air et dont le rendement atteint 95,7 %[5].

Principe

Schéma de principe d'un onduleur de tension monophasé appliqué sur une charge inductive (AB).

Les onduleurs sont basés sur une structure en pont en H, constituée le plus souvent d'interrupteurs électroniques tels que les IGBT, transistors de puissance ou thyristors. Par un jeu de commutations commandées de manière appropriée (généralement une modulation de largeur d'impulsion), on module la source afin d'obtenir un signal alternatif de fréquence désirée[6].

Il existe différents types d'onduleurs :

  • les onduleurs de tension et les onduleurs de courant ;
  • les onduleurs autonomes et les onduleurs non autonomes[7].
Onduleurs autonomes
Un onduleur autonome délivre une tension avec une fréquence soit fixe, soit ajustable par l'utilisateur[7]. Il n'a pas toujours besoin de réseau électrique pour fonctionner ; par exemple un convertisseur de voyage que l'on branche sur la prise allume-cigare d'une voiture utilise le 12 V continu du véhicule pour générer du 120 ou 230 V, alternatif en 50 ou 60 Hz. Ces onduleurs sont notamment employés pour la réception de la télévision en mode nomade (récepteur satellite dans un camping-car par exemple) dépourvu d'entrée alimentation électrique basse tension (~12 V).
Onduleurs non autonomes
Un onduleur non autonome est un montage redresseur tout thyristors (pont de Graetz) qui, en commutation naturelle assistée par le réseau, auquel il est raccordé, permet un fonctionnement en onduleur (par exemple par récupération de l'énergie lors des périodes de freinage dans les motrices électriques). À la base du développement des entraînements statiques à vitesse variable pour moteurs à courant continu et alternatif, cycloconvertisseurs, onduleurs de courant pour machines synchrones et asynchrones, jusqu'à des puissances de plusieurs MW, ce type de montage est progressivement supplanté, au profit de convertisseurs à IGBT ou GTO.

Onduleurs hybrides ou intelligents

Boitier onduleur hybride IMEON Energy.

Les onduleurs hybrides ou intelligents sont une nouvelle génération dédiée aux applications d'énergie renouvelable pour l'autoconsommation et en particulier pour les panneaux solaires photovoltaïques (onduleur solaire). L'énergie des panneaux solaires photovoltaïques est active seulement pendant la journée et essentiellement lorsque le Soleil est au zénith[alpha 2] : elle est donc fluctuante et non synchronisée avec la consommation des habitations. De ce fait, il est nécessaire de :

  • stocker l'excédent de production avant utilisation[8],[9].
  • En France métropolitaine, par exemple, il est possible de vendre l’intégralité de sa production à EDF à un tarif préférentiel[10] ce qui évite les contraintes du stockage de l’excédent de production.

Histoire

David Prince serait l'inventeur du terme anglais inverter ( « onduleur » en français). Dans un article de 1925 intitulé « The Inverter »[11], il en détaille la plupart des éléments constitutifs ainsi que le principe.

À l'origine, le terme inverter aurait été utilisé pour désigner le fonctionnement inverse d'un redresseur (rectifier en anglais). Serait alors apparue la désignation inverted rectification, que l'usage aurait transformée en inverter.

À partir de 1936, le terme inverter est d'un usage courant dans les publications techniques anglophones du monde entier[12].

Fonctionnement technique

Il existe de nombreux types d'onduleurs, les deux principales catégories à bien différencier sont les onduleurs monophasés des onduleurs triphasés. C'est-à-dire que la première catégorie permet de transformer une tension continue (fournie par une batterie ou à la sortie d'un redresseur par exemple) en une tension sinusoïdale. Le second type, fonctionne de la même manière mais au lieu de transformer la tension en un seul sinus, il en génère trois déphasés chacun entre eux de 120° soit radians.

Structure

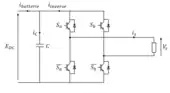
Fig 1. Schéma électrique d'un onduleur monophasé. On peut y voir, les 4 interrupteurs et leur commande. Les deux cellules de commutation. Le condensateur de filtrage du courant afin d'éviter d'endommager outre mesure la batterie. Le dipôle de sortie devant avoir un comportement inductif.

Un onduleur Monophasé classique est composé de 4 interrupteurs de puissance (souvent des IGBT avec chacun une diode en anti-parallèle afin d'assurer la bidirectionnalité en courant[13] (voir figure 1)). L'onduleur doit ensuite être piloté via une commande MLI adaptée afin de réaliser la tension désirée. La tension désirée étant généralement fournie par une boucle de régulation externe de plus haut niveau ce qui permettra, à terme, de générer la MLI. La boucle de régulation externe, doit entre autres être capable de fournir la fréquence du sinus désirée et son amplitude relative à la tension de bus continu nommée : indice de modulation. L'indice de modulation est défini le plus souvent comme :

avec :

  • m, l'indice de modulation ;
  • V l'amplitude du signal désiré ;
  • la tension de bus continu.

Onduleurs multiniveau

Il est possible d'associer des interrupteurs de puissance (IGBT, MOSFET) en série[14] (ou en parallèle) afin de pouvoir utiliser des tensions (respectivement des courants) plus élevés. Ces onduleurs se nomment alors convertisseurs multiniveau (multilevel converter en anglais, ou encore MMC dans la documentation technique).

Structure

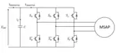
De même que pour les onduleurs monophasés, les onduleurs triphasés sont eux aussi composés d'IGBT. Cependant les plus classiques en comportent 6 (2 interrupteurs complémentaires par bras de l'onduleur). Ces 6 interrupteurs forment ensemble 3 cellules de commutation[15] qui vont permettre de hacher la tension continue en tension sinusoïdale triphasée équilibrée, afin d'alimenter par exemple un moteur synchrone ou encore un moteur asynchrone (voir figure 2).

Comme pour les onduleurs monophasés, les onduleurs triphasés peuvent être réalisés sous forme de convertisseurs multiniveau. Ce qui permet de mieux contrôler la tension de sortie, de diminuer les harmoniques et surtensions sur la charge[16]. Le désavantage majeur des MMC est leur coût, surtout dans le cas d'une production à grande échelle. En effet, la structure multiniveau impose d'utiliser plus d'interrupteurs.

Fig 2. Schéma électrique d'un onduleur triphasé. On peut y voir, les 6 interrupteurs et leur commande. Les trois cellules de commutation. Le condensateur de filtrage du courant afin d'éviter d'endommager outre mesure la batterie. Le dispositif de sortie (ici une machine synchrone à aimant permanent) ayant un comportement inductif (nombreux bobinages dans la machine).

Commande des onduleurs

Les onduleurs se pilotent via une commande fortement non linéaire[17]. Cette non-linéarité est due à la structure des onduleurs composés d'IGBT qui ne se pilotent qu'en tout ou rien. Par conséquent il est nécessaire que la commande soit elle aussi en tout ou rien. La commande la plus classique des interrupteurs des onduleurs se fait par comparaison entre deux signaux. En effet cela force la commande à être binaire (soit 0 soit 1). Les signaux en question se nomment modulante et porteuse. La modulante étant classiquement, la tension de référence divisée par la tension de bus avec un offset de 0.5, et la porteuse est un signal triangulaire compris entre 0 et 1.

La commande est alors générée ainsi : si la modulante est plus grande que la porteuse alors la commande de l'interrupteur prend 1 et 0 sinon. Il est important de savoir que la modulante définie précédemment n'est pas la seule possible, et qu'il en existe un nombre très important.

La comparaison entre une modulante et une porteuse n'est pas la seule possibilité. Il existe, entre autres la SVM (ou vecteur de modulation spatial en français), qui constitue le Gold standard en industrie, par sa facilité d'implémentation, ses avantages harmoniques ainsi que de l'extension de sa zone de linéarité de 15%(plus exactement l'indice de modulation maximal est désormais égal à )[17], par rapport à la MLI à porteuse triangulaire décrite ci-dessus.

Techniques usuelles

De nombreuses techniques de commande ont été développées au fil du temps, leurs différences, avantages et inconvénients résident dans ces quelques points :

La suite des techniques décrites ne concernent que les onduleurs 3 bras 2 niveaux et les onduleurs monophasés 2 niveaux. Les commandes des onduleurs de niveaux supplémentaires changent de nom et de catégorie pour s'appeler des Multilevel converter (convertisseurs multiniveau). De par leur immense diversité, il n'est pas question de parler de la commande de ces derniers ici.

La modulation sinusoïdale (SPWM)

Méthode la plus classique, on compare le signal de référence normalisé par la source de tension continue avec une porteuse triangulaire pour générer la commande des cellules de commutation. Cette méthode est très peu utilisée en industrie à cause de sa très mauvaise qualité harmonique et de rendement. On lui préfère généralement la SVM ou l'injection d'harmoniques de rang 3.

L'injection d'harmoniques de rang 3 (THIPWM)

On compare le signal de référence normalisé auquel on a ajouté un harmonique de rang 3 d'amplitude 1/6 ou 1/4. On compare ensuite ce nouveau signal à une porteuse triangulaire afin de générer la commande des cellules de commutation. Il est à noter qu'il est impératif que la fréquence des harmoniques ainsi ajoutés soit de rang 3 (ou multiples de 3), afin de garder la symétrie entre les phases de l'onduleur. En effet, ainsi, la somme des trois sinus qui composent le signal reste mathématiquement égal à 0.

La modulation de vecteur spatial (SVM)

Il ne s'agit plus de comparer un signal avec une porteuse triangulaire mais de réaliser un vecteur dans le plan complexe grâce à la relation de Chasles avec les vecteurs réalisables par l'onduleur. Bien que cette stratégie soit à l'origine vectorielle, il est aisé de la ramener à une méthode à base de porteuse triangulaire, en calculant la médiane du signal triphasé.

La modulation aléatoire (RPWM)

La porteuse triangulaire n'a plus une fréquence constante sur une période. Ce qui va dégrader le spectre harmonique mais améliorer considérablement l'impression de bruit (et non le bruit réellement produit !)[18]. Bien que la puissance des ondes acoustiques soit le même, cette méthode donne l'impression d'un écoulement de sable fin.

La modulation discontinue (DPWM)

Il s'agit là aussi d'une méthode d'injection d'harmonique ou d'injection de tension de mode commun, qui a pour but de figer périodiquement une cellule de commutation afin de diminuer les pertes dans l'onduleur. Les stratégies de DPWM les plus connues sont la DPWM1, DPWM2, DPWM3,DPWMMin ainsi que la DPWMMax

Techniques hors-ligne

Les stratégies dites hors-ligne (optimal pulse pattern en anglais) ont pour principe de supposer que l'ensemble de la commande est une boite noire, et en fonction de la tension et de la fréquence désirée en entrée, un microprocesseur va lire une table d'angles de commutation afin de réaliser au mieux la commande désirée. Les angles de commutations étant calculés au préalable grâce à des méthodes d'optimisation.

Techniques en-ligne

Ces stratégies sont connues en automatique et consistent, sur base de la connaissance du système à commander à générer une MLI. Parmi ces commandes, existe, entre autres, la commande prédictive.

Applications

Un onduleur de Toyota Prius.

L'onduleur est l'un des montages les plus répandus de l'électronique de puissance ; il a de multiples applications :

  • les alimentations de secours ;
  • les alimentations sans interruption[19] ;
  • le raccord des panneaux solaires au réseau électrique[20],[21] ;
  • les nombreux dispositifs nécessitant de fonctionner à une fréquence spécifique[22] :
    • les générateurs d'ultrasons ou d'électricité utilisés dans le domaine médical,
    • l'alimentation des lampes dites à cathode froide pour le rétro-éclairage des afficheurs à cristaux liquides[23],
  • les variateurs de vitesse des machines alternatives : la tension du réseau est redressée puis un onduleur fabrique une tension dont la fréquence et la forme sont réglables[2] ;
  • les convertisseurs de tension continue/continue à découpage : la tension continue est d'abord ondulée en haute fréquence (quelques dizaines ou centaines de kHz) puis appliquée à un transformateur en ferrite et enfin redressée ;
  • dans le domaine de la soudure à l'arc[24] les onduleurs sont parfois appelés inverters, suivant la terminologie anglo-saxonne. Les onduleurs dans les postes à l'arc vont générer un courant alternatif monophasé à moyenne fréquence (entre 5 et 90 kHz), ce qui permet d'utiliser des transformateurs élévateurs de courant nettement plus petits et légers[alpha 3] que ceux employés à la fréquence du réseau, soit 50 ou 60 Hz. Ces machines se caractérisent par un rapport poids / puissance faible, un facteur de puissance élevé et une bonne adéquation en milieu hostile (conditions de chantier, alimentation fluctuante par groupe électrogène, basses ou hautes températures, etc.) ;
  • dans le domaine de la réception hertzienne nomade TV grand public, les onduleurs (12 V > 230 V) permettent, par exemple, de brancher un téléviseur sur la prise allume-cigare d'une automobile ou d'un camion ;
  • dans le domaine des véhicules électriques et hybrides, l'onduleur permet de transformer la tension de batterie continue en tension sinusoïdale, admissible par les machines synchrones et asynchrones.

Alimentation sans interruption

L'onduleur est également un composant des alimentations sans interruption (ASI). Dans le langage courant, le terme « onduleur » est d'ailleurs fréquemment employé pour désigner une telle alimentation, par exemple comme alimentation de sécurité des ordinateurs[25].

Notes et références

Notes

  1. Il faut alors un courant de 100 A au niveau de la batterie et des conducteurs.
  2. Midi solaire, soit 14 h en France métropolitaine l'été.
  3. La taille d'un transformateur est limitée par le champ de saturation du matériau magnétique. Or, , avec U la tension aux bornes des n spires primaires, f la fréquence et S la surface de fer.

Références

  1. (en) Owen E.L., « History [origin of the inverter] », IEEE Industry Applications Magazine, vol. 2, no 1, , p. 64-66 (DOI 10.1109/2943.476602, lire en ligne, consulté le ).
  2. [PDF]Cours électronique de puissance, Conversion continu-alternatif, Onduleurs, DUT, Université Joseph Fourrier
  3. [PDF] Chapitre 3: Les Onduleurs, polycopié DUT Génie électrique et informatique industrielle
  4. [PDF] Jean Noël Fiorina, Onduleurs et harmoniques (cas des charges non linéaires), Cahier Technique Merlin Gerin no 159, 1992
  5. exemple de micro-onduleur (M250), sur le site enphase.com, consulté le 29 octobre 2014
  6. [PDF] Pierre Lefranc, Étude, conception et réalisation de circuits de commande d'IGBT de forte puissance, Thèse de doctorat, INSA de Lyon, 2005
  7. [PDF] S. Deramond, Onduleurs, alimentations DC/AC, Lycée des métiers de l'industrie Jen Dupuy, 2010
  8. Les onduleurs hybride, sur Imeon Energy
  9. Chapitre 1: Les Onduleurs, sur abes.fr
  10. L'obligation d'achat photovoltaïque, sur le site edf-oasolaire.fr, consulté le 8 aout 2013
  11. D. C. Prince, « The Inverter », General Electric review, vol. 28, no 10, octobre 1925, p. 676-681.
  12. (en) E. L. Owen, « History [origin of the inverter] », IEEE Industry Applications Magazine, vol. 2, no 1, , p. 64-66 (ISSN 1077-2618, e-ISSN 1558-0598, OCLC 4635022067, DOI 10.1109/2943.476602, lire en ligne).
  13. , sur Research Gate consulté le 25 juillet 2020
  14. (en) Oluwafemi E. Oni, Kamati I. Mbangula et Innocent E. Davidson, « A Review of LCC-HVDC and VSC-HVDC Technologies and Applications », RANSACTIONS ON ENVIRONMENT AND ELECTRICAL ENGINEERIN, (lire en ligne)
  15. H. Foch, M. Metz, T. Meynard, H Piquet et F. Richardeau, Des dipôles à la cellule de commutation, France, Techniques de l'ingénieur, coll. « Techniques de l’ingénieur Convertisseurs électriques et applications », 2006, d3075
  16. (en) John N. Chiasson, Leon M. Tolbert, Keith J. McKenzie et Zhong Du, « Control of a Multilevel Converter Using Resultant Theory », IEEE Transactions on Control Systems Technology,· June 2003, (lire en ligne)
  17. D. Grahame Holmes & Thomas A. Lipo, Pulse Width Modulation For Power Converters Principles and Practice, United States, IEEE Press, coll. « IEEE Press series on Power Engineering », 2003 (ISBN 0-471-20814-0)
  18. J.F. Gieras, C. Wang & J.C. Lai, Noise of Polyphase Electric Motors, CRC Press, 2006 (ISBN 9781315220987)
  19. « Onduleurs (UPS) | Schneider Electric France », sur www.se.com (consulté le )
  20. [PDF] Violaine Didier, Les Onduleurs pour Systèmes Photovoltaïques, Fonctionnement, État de l’Art et Étude des Performances, photovoltaique.info, 2007
  21. [PDF] M. Adouane, M. Haddadi, A. Malek et M. Hadjiat, Étude et conception d’un onduleur monophasé autonome géré par microcontrôleur PIC 16F876A, Revue des Énergies Renouvelables Vol. 12 no 4 (2009) p. 543 – 550
  22. [PDF] M. Correvon, Convertisseur de fréquence à circuit intermédiaire à tension continue (Convertisseur U), Haute École d’Ingénierie et de Gestion du Canton de Vaud
  23. [PDF]+(en) Jim Williams, "A fourth generation of LCD backlight technology: Component and measurement improvements refine performance", Linear Technology Application Note 65, November 1995.
  24. [PDF] Poste de soudage à l'arc 161 STL, 201 TS, Manuel de fonctionnement, Thermal Arc, 2012
  25. Qu'est-ce qu'un onduleur? Comment choisir? Sur le site ecus.fr

Voir aussi

Articles connexes

Liens externes

  • icône décorative Portail de l’électricité et de l’électronique
  • icône décorative Portail de l’énergie
Cet article est issu de Wikipedia. Le texte est sous licence Creative Commons – Attribution – Partage à l’identique. Des conditions supplémentaires peuvent s’appliquer aux fichiers multimédias.